| Kullanılabilirlik Durumu: | |
|---|---|
| Miktar: | |
Bir eğik yatak veya halka eğildi bir dönme haddeleme veya düz rulmanlı Bu tipik olarak ağır ama yavaş dönen veya yavaş uyumlu bir yükü destekler, genellikle geleneksel gibi yatay bir platform vinç, a sallaveya yatay eksenin rüzgara bakan platformu yeldeğir değirmeni. ("Slew " a yer değişikliği olmadan dönme anlamına gelir.)
Diğer haddeleme eleman rulmanlarıyla karşılaştırıldığında, eğimli yataklar bölümde incedir ve genellikle bir metre veya daha fazla çapta yapılır; üzerinde duran yataklar Falkirk çarkı 4 metre çapındadır ve 3,5 metrelik bir aks üzerine oturur. Döküm yatakları büyük boy uçak kontrol yüzey yataklarına benzemektedir.
Döküm rulmanları genellikle iki sıra haddeleme elemanı kullanır. Genellikle üç kullanırlar ırk Bir iç halka ve eksenel olarak sıkıştıran iki dış halka "yarıya " gibi elemanlar.
Dönen yataklar genellikle platformu tabana göre sürmek için kullanılan iç veya dış yarışla entegre dişli dişleri ile yapılır.
Karşılıklı olan diğer yataklara gelince, sürekli olarak dönmek yerine, yağlama zor olabilir. . yağ kama Sürekli dönen bir yatakta inşa edilmiş, eğimin durdurma hareketi ile bozulur. Bunun yerine, bir hidrostatik yatak pompalanan yağ akışı ile kullanılabilir.
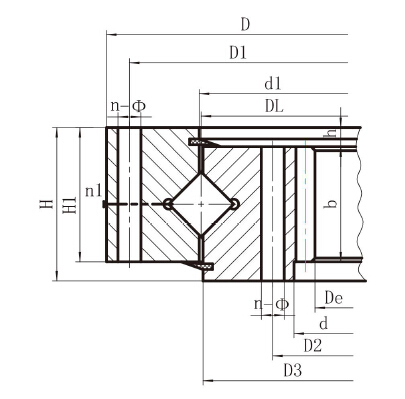
Tek sıra çapraz silindir yatağı, iki koltuk, kompakt yapı, yüksek hassasiyetli, küçük montaj boşluğu, kurulum doğruluğu gereksinimi yüksektir, 1: 1 çapraz düzenlenmiş silindir, aynı zamanda eksenel kuvvet taşıyabilir, devirme Moment ve büyük radyal kuvvet, nakliye, mühendislik makineleri ve askeri ürünler için yaygın olarak kullanılır.

Model PDF.Format | Dimensions | Montaj boyutu | Yapısal boyut | Vites verileri | Ağırlık kilogram | |||||||||||||||
D | d | H | D1 | D2 | n | mm | N1 | D3 | D1 | H1 | h | b | x | m | De | z | Q | |||
1 | HJN.20.625 | 725 | 525 | 80 | 685 | 565 | 18 | 18 | 3 | 627 | 623 | 68 | 12 | 60 | 1.4 | 5 | 498.8 | 101 | 5.2 | 100 |
Hjn.20.625a | 1.15 | 6 | 496.7 | 84 | 6.2 | |||||||||||||||
2 | HJN.20.720 | 820 | 620 | 80 | 780 | 660 | 18 | 18 | 3 | 722 | 718 | 68 | 12 | 60 | 1.4 | 6 | 586.6 | 99 | 6.2 | 120 |
HJN.20.720A | 1 | 8 | 582.3 | 74 | 8.3 | |||||||||||||||
3 | HJN.30.820 | 940 | 705 | 95 | 893 | 749 | 24 | 20 | 4 | 822 | 818 | 83 | 12 | 70 | 1.4 | 6 | 664.5 | 112 | 7.2 | 210 |
HJN.30.820A | 1 | 10 | 658 | 67 | 12.2 | |||||||||||||||
4 | Hjn.30.880 | 1000 | 760 | 95 | 956 | 800 | 24 | 20 | 4 | 882 | 878 | 83 | 12 | 70 | 1.15 | 8 | 718.2 | 91 | 9.7 | 230 |
HJN.30.880A | 1 | 10 | 707.9 | 72 | 12.2 | |||||||||||||||
5 | HJN.30.1020 | 1170 | 875 | 95 | 1120 | 930 | 24 | 22 | 4 | 1022 | 1018 | 80 | 15 | 70 | 1.4 | 8 | 830.1 | 105 | 9.7 | 300 |
HJN.30.1020A | 1.15 | 10 | 827.8 | 84 | 12.2 | |||||||||||||||
6 | Hjn.36.1220 | 1365 | 1075 | 120 | 1310 | 1130 | 36 | 24 | 6 | 1222 | 1218 | 105 | 15 | 90 | 1.4 | 10 | 1027.8 | 104 | 15.7 | 450 |
HJN.36.1220A | 1 | 12 | 1017.3 | 86 | 18.8 | |||||||||||||||
7 | Hjn.36.1250 | 1400 | 1090 | 120 | 1350 | 1150 | 36 | 26 | 6 | 1252 | 1248 | 105 | 15 | 90 | -0.35 | 10 | 1037 | 105 | 15.7 | 520 |
Hjn.36.1250a | 1 | 12 | 1028.8 | 87 | 18.8 | |||||||||||||||
8 | Hjn.36.1435 | 1595 | 1278 | 120 | 1535 | 1335 | 36 | 26 | 6 | 1437 | 1433 | 105 | 15 | 90 | 1.15 | 12 | 1221.2 | 1.3 | 18.8 | 610 |
Hjn.36.1435a | 1 | 14 | 1214.8 | 88 | 21.9 | |||||||||||||||
9 | HJN.45.1540 | 1720 | 1360 | 140 | 1660 | 1420 | 42 | 26 | 6 | 1543 | 4537 | 122 | 18 | 110 | 1.4 | 12 | 1293.1 | 109 | 23 | 732 |
HJN.45.1540A | 1.15 | 14 | 1284.8 | 93 | 26.8 | |||||||||||||||
10 | HJN.45.1700 | 1875 | 1525 | 140 | 1815 | 1585 | 42 | 29 | 6 | 1703 | 1697 | 122 | 18 | 110 | 1.15 | 14 | 1452.7 | 105 | 26.8 | 844 |
HJN.45.1700A | 1.15 | 16 | 1452.3 | 92 | 30.5 | |||||||||||||||
11 | HJN.45.1880 | 2100 | 1665 | 160 | 2030 | 1740 | 48 | 32 | 6 | 1883 | 1876 | 140 | 20 | 115 | 1.4 | 14 | 1592.6 | 115 | 27.8 | 1400 |
HJN.45.1880A | 1.15 | 18 | 1579.9 | 89 | 35.8 | |||||||||||||||
12 | HJN.45.2115 | 2325 | 1900 | 160 | 2245 | 1980 | 48 | 32 | 6 | 2118 | 2112 | 140 | 20 | 115 | 1.4 | 16 | 1804.1 | 114 | 31.9 | 1600 |
Hjn.45.2115a | 1.15 | 20 | 1795.4 | 91 | 40 | |||||||||||||||
13 | HJN.45.2370 | 2600 | 2146 | 180 | 2520 | 2220 | 48 | 32 | 6 | 2373 | 2367 | 158 | 22 | 130 | 1.4 | 18 | 2065.6 | 116 | 40.7 | 2100 |
HJN.45.2370A | 1.15 | 22 | 2040.9 | 94 | 49.7 | |||||||||||||||
14 | HJN.45.2600 | 2835 | 2365 | 180 | 2750 | 2450 | 54 | 36 | 6 | 2603 | 2597 | 158 | 22 | 130 | 1.4 | 18 | 2263.5 | 127 | 37.6 | 2400 |
HJN.45.2600A | 1.15 | 22 | 2260.8 | 104 | 45.9 | |||||||||||||||
15 | HJN.50.2820 | 3085 | 2555 | 200 | 3000 | 2640 | 54 | 36 | 6 | 2823 | 2817 | 178 | 22 | 150 | 1.4 | 20 | 2455 | 124 | 52.2 | 3400 |
HJN.50.2820A | 1.15 | 25 | 2444.1 | 99 | 65.3 | |||||||||||||||
16 | HJN.50.3120 | 3400 | 2840 | 200 | 3310 | 2930 | 54 | 36 | 6 | 3123 | 3117 | 178 | 22 | 150 | 1.4 | 22 | 2722.5 | 125 | 57.4 | 4000 |
HJN.50.3120A | 1.4 | 25 | 2719 | 110 | 65.3 | |||||||||||||||
17 | HJN.50.3580 | 3920 | 3240 | 240 | 3820 | 3340 | 60 | 40 | 6 | 3583 | 3577 | 218 | 22 | 190 | 1.4 | 22 | 3118.4 | 143 | 72.7 | 6700 |
HJN.50.3580A | 1.4 | 25 | 3118.8 | 126 | 82.6 | |||||||||||||||
18 | HJN.50.4030 | 4370 | 3690 | 240 | 4270 | 3790 | 66 | 40 | 6 | 4033 | 4027 | 218 | 22 | 190 | 1.4 | 22 | 3558.3 | 163 | 53.6 | 7700 |
HJN.50.4030A | 1.4 | 28 | 3549 | 128 | 68.2 | |||||||||||||||
19 | HJN.50.4540 | 4860 | 4210 | 240 | 4760 | 4310 | 72 | 40 | 6 | 4543 | 4537 | 218 | 22 | 190 | 1.4 | 22 | 4042.2 | 185 | 72.1 | 8760 |
HJN.50.4540A | 1.4 | 30 | 4042.4 | 136 | 99.1 | |||||||||||||||
Bir eğik yatak veya halka eğildi bir dönme haddeleme veya düz rulmanlı Bu tipik olarak ağır ama yavaş dönen veya yavaş uyumlu bir yükü destekler, genellikle geleneksel gibi yatay bir platform vinç, a sallaveya yatay eksenin rüzgara bakan platformu yeldeğir değirmeni. ("Slew " a yer değişikliği olmadan dönme anlamına gelir.)
Diğer haddeleme eleman rulmanlarıyla karşılaştırıldığında, eğimli yataklar bölümde incedir ve genellikle bir metre veya daha fazla çapta yapılır; üzerinde duran yataklar Falkirk çarkı 4 metre çapındadır ve 3,5 metrelik bir aks üzerine oturur. Döküm yatakları büyük boy uçak kontrol yüzey yataklarına benzemektedir.
Döküm rulmanları genellikle iki sıra haddeleme elemanı kullanır. Genellikle üç kullanırlar ırk Bir iç halka ve eksenel olarak sıkıştıran iki dış halka "yarıya " gibi elemanlar.
Dönen yataklar genellikle platformu tabana göre sürmek için kullanılan iç veya dış yarışla entegre dişli dişleri ile yapılır.
Karşılıklı olan diğer yataklara gelince, sürekli olarak dönmek yerine, yağlama zor olabilir. . yağ kama Sürekli dönen bir yatakta inşa edilmiş, eğimin durdurma hareketi ile bozulur. Bunun yerine, bir hidrostatik yatak pompalanan yağ akışı ile kullanılabilir.
Tek sıra çapraz silindir yatağı, iki koltuk, kompakt yapı, yüksek hassasiyetli, küçük montaj boşluğu, kurulum doğruluğu gereksinimi yüksektir, 1: 1 çapraz düzenlenmiş silindir, aynı zamanda eksenel kuvvet taşıyabilir, devirme Moment ve büyük radyal kuvvet, nakliye, mühendislik makineleri ve askeri ürünler için yaygın olarak kullanılır.

Model PDF.Format | Dimensions | Montaj boyutu | Yapısal boyut | Vites verileri | Ağırlık kilogram | |||||||||||||||
D | d | H | D1 | D2 | n | mm | N1 | D3 | D1 | H1 | h | b | x | m | De | z | Q | |||
1 | HJN.20.625 | 725 | 525 | 80 | 685 | 565 | 18 | 18 | 3 | 627 | 623 | 68 | 12 | 60 | 1.4 | 5 | 498.8 | 101 | 5.2 | 100 |
Hjn.20.625a | 1.15 | 6 | 496.7 | 84 | 6.2 | |||||||||||||||
2 | HJN.20.720 | 820 | 620 | 80 | 780 | 660 | 18 | 18 | 3 | 722 | 718 | 68 | 12 | 60 | 1.4 | 6 | 586.6 | 99 | 6.2 | 120 |
HJN.20.720A | 1 | 8 | 582.3 | 74 | 8.3 | |||||||||||||||
3 | HJN.30.820 | 940 | 705 | 95 | 893 | 749 | 24 | 20 | 4 | 822 | 818 | 83 | 12 | 70 | 1.4 | 6 | 664.5 | 112 | 7.2 | 210 |
HJN.30.820A | 1 | 10 | 658 | 67 | 12.2 | |||||||||||||||
4 | Hjn.30.880 | 1000 | 760 | 95 | 956 | 800 | 24 | 20 | 4 | 882 | 878 | 83 | 12 | 70 | 1.15 | 8 | 718.2 | 91 | 9.7 | 230 |
HJN.30.880A | 1 | 10 | 707.9 | 72 | 12.2 | |||||||||||||||
5 | HJN.30.1020 | 1170 | 875 | 95 | 1120 | 930 | 24 | 22 | 4 | 1022 | 1018 | 80 | 15 | 70 | 1.4 | 8 | 830.1 | 105 | 9.7 | 300 |
HJN.30.1020A | 1.15 | 10 | 827.8 | 84 | 12.2 | |||||||||||||||
6 | Hjn.36.1220 | 1365 | 1075 | 120 | 1310 | 1130 | 36 | 24 | 6 | 1222 | 1218 | 105 | 15 | 90 | 1.4 | 10 | 1027.8 | 104 | 15.7 | 450 |
HJN.36.1220A | 1 | 12 | 1017.3 | 86 | 18.8 | |||||||||||||||
7 | Hjn.36.1250 | 1400 | 1090 | 120 | 1350 | 1150 | 36 | 26 | 6 | 1252 | 1248 | 105 | 15 | 90 | -0.35 | 10 | 1037 | 105 | 15.7 | 520 |
Hjn.36.1250a | 1 | 12 | 1028.8 | 87 | 18.8 | |||||||||||||||
8 | Hjn.36.1435 | 1595 | 1278 | 120 | 1535 | 1335 | 36 | 26 | 6 | 1437 | 1433 | 105 | 15 | 90 | 1.15 | 12 | 1221.2 | 1.3 | 18.8 | 610 |
Hjn.36.1435a | 1 | 14 | 1214.8 | 88 | 21.9 | |||||||||||||||
9 | HJN.45.1540 | 1720 | 1360 | 140 | 1660 | 1420 | 42 | 26 | 6 | 1543 | 4537 | 122 | 18 | 110 | 1.4 | 12 | 1293.1 | 109 | 23 | 732 |
HJN.45.1540A | 1.15 | 14 | 1284.8 | 93 | 26.8 | |||||||||||||||
10 | HJN.45.1700 | 1875 | 1525 | 140 | 1815 | 1585 | 42 | 29 | 6 | 1703 | 1697 | 122 | 18 | 110 | 1.15 | 14 | 1452.7 | 105 | 26.8 | 844 |
HJN.45.1700A | 1.15 | 16 | 1452.3 | 92 | 30.5 | |||||||||||||||
11 | HJN.45.1880 | 2100 | 1665 | 160 | 2030 | 1740 | 48 | 32 | 6 | 1883 | 1876 | 140 | 20 | 115 | 1.4 | 14 | 1592.6 | 115 | 27.8 | 1400 |
HJN.45.1880A | 1.15 | 18 | 1579.9 | 89 | 35.8 | |||||||||||||||
12 | HJN.45.2115 | 2325 | 1900 | 160 | 2245 | 1980 | 48 | 32 | 6 | 2118 | 2112 | 140 | 20 | 115 | 1.4 | 16 | 1804.1 | 114 | 31.9 | 1600 |
Hjn.45.2115a | 1.15 | 20 | 1795.4 | 91 | 40 | |||||||||||||||
13 | HJN.45.2370 | 2600 | 2146 | 180 | 2520 | 2220 | 48 | 32 | 6 | 2373 | 2367 | 158 | 22 | 130 | 1.4 | 18 | 2065.6 | 116 | 40.7 | 2100 |
HJN.45.2370A | 1.15 | 22 | 2040.9 | 94 | 49.7 | |||||||||||||||
14 | HJN.45.2600 | 2835 | 2365 | 180 | 2750 | 2450 | 54 | 36 | 6 | 2603 | 2597 | 158 | 22 | 130 | 1.4 | 18 | 2263.5 | 127 | 37.6 | 2400 |
HJN.45.2600A | 1.15 | 22 | 2260.8 | 104 | 45.9 | |||||||||||||||
15 | HJN.50.2820 | 3085 | 2555 | 200 | 3000 | 2640 | 54 | 36 | 6 | 2823 | 2817 | 178 | 22 | 150 | 1.4 | 20 | 2455 | 124 | 52.2 | 3400 |
HJN.50.2820A | 1.15 | 25 | 2444.1 | 99 | 65.3 | |||||||||||||||
16 | HJN.50.3120 | 3400 | 2840 | 200 | 3310 | 2930 | 54 | 36 | 6 | 3123 | 3117 | 178 | 22 | 150 | 1.4 | 22 | 2722.5 | 125 | 57.4 | 4000 |
HJN.50.3120A | 1.4 | 25 | 2719 | 110 | 65.3 | |||||||||||||||
17 | HJN.50.3580 | 3920 | 3240 | 240 | 3820 | 3340 | 60 | 40 | 6 | 3583 | 3577 | 218 | 22 | 190 | 1.4 | 22 | 3118.4 | 143 | 72.7 | 6700 |
HJN.50.3580A | 1.4 | 25 | 3118.8 | 126 | 82.6 | |||||||||||||||
18 | HJN.50.4030 | 4370 | 3690 | 240 | 4270 | 3790 | 66 | 40 | 6 | 4033 | 4027 | 218 | 22 | 190 | 1.4 | 22 | 3558.3 | 163 | 53.6 | 7700 |
HJN.50.4030A | 1.4 | 28 | 3549 | 128 | 68.2 | |||||||||||||||
19 | HJN.50.4540 | 4860 | 4210 | 240 | 4760 | 4310 | 72 | 40 | 6 | 4543 | 4537 | 218 | 22 | 190 | 1.4 | 22 | 4042.2 | 185 | 72.1 | 8760 |
HJN.50.4540A | 1.4 | 30 | 4042.4 | 136 | 99.1 | |||||||||||||||
Ev | Hakkımızda | Ürünler | Haber | Uygulama | Destek | Bizimle iletişime geçin
