| Kullanılabilirlik Durumu: | |
|---|---|
| Miktar: | |
A dönen yatak veya Döndürme halkası bir dönmehaddeleme veya düz rulmanlı Bu tipik olarak ağır ama yavaş dönen veya yavaş uyumlu bir yükü destekler, genellikle geleneksel gibi yatay bir platform vinç, a sallaveya yatay eksenin rüzgara bakan platformu yeldeğir değirmeni. ("Slew " a yer değişikliği olmadan dönme anlamına gelir.)
Diğer haddeleme eleman rulmanlarıyla karşılaştırıldığında, eğimli yataklar bölümde incedir ve genellikle bir metre veya daha fazla çapta yapılır; üzerinde duran yataklar Falkirk çarkı 4 metre çapındadır ve 3,5 metrelik bir aks üzerine oturur. Döküm yatakları büyük boy uçak kontrol yüzey yataklarına benzemektedir.
Döküm rulmanları genellikle iki sıra haddeleme elemanı kullanır. Genellikle üç kullanırlar ırk Bir iç halka ve eksenel olarak sıkıştıran iki dış halka "yarıya " gibi elemanlar.
Dönen yataklar genellikle iç veya dış yarışla entegre dişli dişlerle yapılır, Platformu tabana göre sürmek için kullanılır.
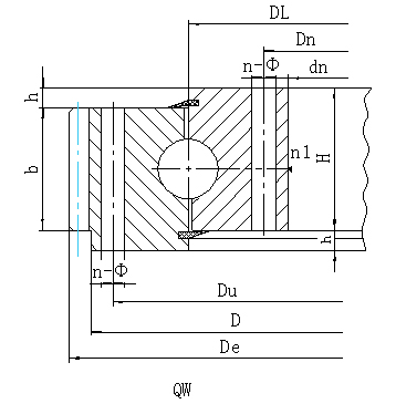
HAYIR. | Model | Boyutlar (mm) | Montaj Boyutları (mm) | Yapısal Boyut (mm) | Vites verileri | ||||||||||||
Harici dişli | H | DU | DN | n | Vasıtasıyla delik A | Dişli delik B/c/d | N1 Sıvı yağ Fincan münferit | h | B | m | x = -0.5 | ||||||
De | Vites Münferit z | Ağırlık | |||||||||||||||
D | d | φ | D1 | T | |||||||||||||
mm | mm | mm | mm | kilogram | |||||||||||||
1 | QW.315.20 | 406 | 222 | 60 | 370 | 260 | 10 | 17 | M16 | 24 | 2 | 10 | 40 | 3 | 423 | 140 | 35 |
QW.315.20A | 4 | 428 | 106 | 36 | |||||||||||||
2 | QW.355.20 | 446 | 262 | 60 | 410 | 300 | 10 | 17 | M16 | 24 | 2 | 10 | 40 | 3 | 462 | 153 | 40 |
QW.355.20A | 4 | 468 | 116 | 41 | |||||||||||||
3 | QW.400.20 | 490 | 307 | 60 | 455 | 345 | 12 | 17 | M16 | 24 | 2 | 10 | 40 | 4 | 512 | 127 | 45 |
QW.400.20A | 5 | 520 | 103 | 47 | |||||||||||||
4 | QW.450.20 | 540 | 357 | 60 | 505 | 395 | 12 | 17 | M16 | 24 | 2 | 10 | 40 | 4 | 564 | 140 | 51 |
QW.450.20A | 5 | 570 | 113 | 53 | |||||||||||||
5 | QW.500.20 | 590 | 407 | 60 | 555 | 445 | 14 | 17 | M16 | 24 | 2 | 10 | 40 | 5 | 615 | 122 | 56 |
QW.500.20A | 6 | 624 | 103 | 58 | |||||||||||||
6 | QW.560.20 | 654 | 464 | 70 | 618 | 502 | 14 | 17 | M16 | 30 | 2 | 10 | 50 | 4 | 680 | 169 | 78 |
QW.560.20A | 5 | 685 | 136 | 79 | |||||||||||||
7 | QW.630.20 | 724 | 534 | 70 | 688 | 572 | 16 | 17 | M16 | 30 | 2 | 10 | 50 | 4 | 748 | 186 | 86 |
QW.630.20A | 5 | 755 | 150 | 88 | |||||||||||||
8 | QW.710.20 | 804 | 614 | 70 | 768 | 652 | 18 | 17 | M16 | 30 | 2 | 10 | 50 | 5 | 835 | 166 | 99 |
QW.710.20A | 6 | 840 | 139 | 101 | |||||||||||||
9 | QW.800.20 | 894 | 704 | 70 | 858 | 742 | 20 | 17 | M16 | 30 | 2 | 10 | 50 | 6 | 930 | 154 | 114 |
QW.800.20A | 8 | 936 | 116 | 114 | |||||||||||||
10 | QW.800.25 | 904 | 692 | 78 | 864 | 736 | 18 | 22 | M20 | 36 | 2 | 10 | 58 | 6 | 942 | 156 | 143 |
QW.800.25A | 8 | 952 | 118 | 147 | |||||||||||||
11 | QW.900.25 | 1004 | 792 | 78 | 964 | 836 | 20 | 22 | M20 | 36 | 2 | 10 | 58 | 8 | 1048 | 130 | 162 |
QW.900.25A | 10 | 1060 | 105 | 168 | |||||||||||||
12 | QW.1000.25 | 1104 | 892 | 78 | 1064 | 936 | 24 | 22 | M20 | 36 | 2 | 10 | 58 | 8 | 1152 | 143 | 182 |
QW.1000.25A | 10 | 1160 | 115 | 185 | |||||||||||||
13 | QW.1000.32 | 1120 | 876 | 90 | 1074 | 926 | 24 | 24 | M22 | 40 | 2 | 10 | 70 | 8 | 1160 | 144 | 227 |
QW.1000.32A | 10 | 1170 | 116 | 232 | |||||||||||||
14 | QW.1120.32 | 1240 | 996 | 90 | 1194 | 1046 | 28 | 24 | M22 | 40 | 4 | 10 | 70 | 10 | 1300 | 129 | 272 |
QW.1120.32A | 12 | 1308 | 108 | 275 | |||||||||||||
15 | QW.1250.32 | 1370 | 1126 | 90 | 1324 | 1176 | 32 | 24 | M22 | 40 | 4 | 10 | 70 | 10 | 1430 | 142 | 302 |
QW.1250.32A | 12 | 1440 | 119 | 309 | |||||||||||||
16 | QW.1400.32 | 1520 | 1276 | 90 | 1474 | 1326 | 36 | 24 | M22 | 40 | 4 | 10 | 70 | 12 | 1584 | 131 | 337 |
QW.1400.32A | 14 | 1596 | 113 | 347 | |||||||||||||
17 | QW.1250.40 | 1390 | 1108 | 102 | 1336 | 1164 | 32 | 26 | M24 | 45 | 4 | 12 | 80 | 10 | 1450 | 144 | 396 |
QW.1250.40A | 12 | 1452 | 120 | 392 | |||||||||||||
18 | QW.1400.40 | 1540 | 1258 | 102 | 1486 | 1314 | 36 | 26 | M24 | 45 | 4 | 12 | 80 | 12 | 1608 | 133 | 448 |
QW.1400.40A | 14 | 1610 | 114 | 443 | |||||||||||||
19 | QW.1600.40 | 1740 | 1458 | 102 | 1686 | 1514 | 40 | 26 | M24 | 45 | 4 | 12 | 80 | 12 | 1812 | 150 | 528 |
QW.1600.40A | 14 | 1820 | 129 | 534 | |||||||||||||
20 | QW.1800.40 | 1940 | 1658 | 102 | 1886 | 1714 | 44 | 26 | M24 | 45 | 4 | 12 | 80 | 14 | 2016 | 143 | 583 |
QW.1800.40A | 16 | 2032 | 126 | 607 | |||||||||||||
21 | QW.1600.50 | 1762 | 1434 | 124 | 1704 | 1496 | 40 | 30 | M27 | 50 | 4 | 12 | 100 | 12 | 1824 | 151 | 714 |
QW.1600.50A | 14 | 1834 | 130 | 727 | |||||||||||||
22 | QW.1800.50 | 1964 | 1634 | 124 | 1904 | 1696 | 44 | 30 | M27 | 50 | 4 | 12 | 100 | 14 | 2044 | 145 | 845 |
QW.1800.50A | 16 | 2048 | 127 | 843 | |||||||||||||
23 | QW.2000.50 | 2162 | 1834 | 124 | 2104 | 1896 | 48 | 30 | M27 | 50 | 6 | 12 | 100 | 16 | 2240 | 139 | 912 |
QW.2000.50A | 18 | 2250 | 124 | 927 | |||||||||||||
24 | QW.2240.50 | 2402 | 2074 | 124 | 2344 | 2136 | 54 | 30 | M27 | 50 | 6 | 12 | 100 | 16 | 2480 | 154 | 1020 |
QW.2240.50A | 18 | 2502 | 138 | 1078 | |||||||||||||
25 | QW.2500.50 | 2662 | 2334 | 124 | 2604 | 2396 | 60 | 30 | M27 | 50 | 6 | 12 | 100 | 18 | 2754 | 152 | 1171 |
QW.2500.50A | 20 | 2760 | 137 | 1175 | |||||||||||||
26 | QW.2500.60 | 2696 | 2304 | 150 | 2626 | 2374 | 60 | 33 | M30 | 56 | 6 | 14 | 122 | 18 | 2790 | 154 | 1677 |
QW.2500.60A | 20 | 2800 | 139 | 1701 | |||||||||||||
Not:
1. N1, yağlama deliklerinin sayısıdır. Petrol Kupası M10 × 1JB/T7940.1 ~ JB/T7940.
2. Yağ meme başı Konum, kullanıcının uygulamasına göre değiştirilebilir.
3. N-φ, dokunulmuş deliğe geçebilir, dokunulmuş deliğin çapı m ve derinlik 2m'dir.
4. Formdaki teğet diş kuvveti maksimum diş kuvvetidir; Nominal teğet diş kuvveti maksimum 1/2'dir.
5. "K " zeyilname indirgeme katsayısıdır.
A dönen yatak veya Döndürme halkası bir dönmehaddeleme veya düz rulmanlı Bu tipik olarak ağır ama yavaş dönen veya yavaş uyumlu bir yükü destekler, genellikle geleneksel gibi yatay bir platform vinç, a sallaveya yatay eksenin rüzgara bakan platformu yeldeğir değirmeni. ("Slew " a yer değişikliği olmadan dönme anlamına gelir.)
Diğer haddeleme eleman rulmanlarıyla karşılaştırıldığında, eğimli yataklar bölümde incedir ve genellikle bir metre veya daha fazla çapta yapılır; üzerinde duran yataklar Falkirk çarkı 4 metre çapındadır ve 3,5 metrelik bir aks üzerine oturur. Döküm yatakları büyük boy uçak kontrol yüzey yataklarına benzemektedir.
Döküm rulmanları genellikle iki sıra haddeleme elemanı kullanır. Genellikle üç kullanırlar ırk Bir iç halka ve eksenel olarak sıkıştıran iki dış halka "yarıya " gibi elemanlar.
Dönen yataklar genellikle iç veya dış yarışla entegre dişli dişlerle yapılır, Platformu tabana göre sürmek için kullanılır.
HAYIR. | Model | Boyutlar (mm) | Montaj Boyutları (mm) | Yapısal Boyut (mm) | Vites verileri | ||||||||||||
Harici dişli | H | DU | DN | n | Vasıtasıyla delik A | Dişli delik B/c/d | N1 Sıvı yağ Fincan münferit | h | B | m | x = -0.5 | ||||||
De | Vites Münferit z | Ağırlık | |||||||||||||||
D | d | φ | D1 | T | |||||||||||||
mm | mm | mm | mm | kilogram | |||||||||||||
1 | QW.315.20 | 406 | 222 | 60 | 370 | 260 | 10 | 17 | M16 | 24 | 2 | 10 | 40 | 3 | 423 | 140 | 35 |
QW.315.20A | 4 | 428 | 106 | 36 | |||||||||||||
2 | QW.355.20 | 446 | 262 | 60 | 410 | 300 | 10 | 17 | M16 | 24 | 2 | 10 | 40 | 3 | 462 | 153 | 40 |
QW.355.20A | 4 | 468 | 116 | 41 | |||||||||||||
3 | QW.400.20 | 490 | 307 | 60 | 455 | 345 | 12 | 17 | M16 | 24 | 2 | 10 | 40 | 4 | 512 | 127 | 45 |
QW.400.20A | 5 | 520 | 103 | 47 | |||||||||||||
4 | QW.450.20 | 540 | 357 | 60 | 505 | 395 | 12 | 17 | M16 | 24 | 2 | 10 | 40 | 4 | 564 | 140 | 51 |
QW.450.20A | 5 | 570 | 113 | 53 | |||||||||||||
5 | QW.500.20 | 590 | 407 | 60 | 555 | 445 | 14 | 17 | M16 | 24 | 2 | 10 | 40 | 5 | 615 | 122 | 56 |
QW.500.20A | 6 | 624 | 103 | 58 | |||||||||||||
6 | QW.560.20 | 654 | 464 | 70 | 618 | 502 | 14 | 17 | M16 | 30 | 2 | 10 | 50 | 4 | 680 | 169 | 78 |
QW.560.20A | 5 | 685 | 136 | 79 | |||||||||||||
7 | QW.630.20 | 724 | 534 | 70 | 688 | 572 | 16 | 17 | M16 | 30 | 2 | 10 | 50 | 4 | 748 | 186 | 86 |
QW.630.20A | 5 | 755 | 150 | 88 | |||||||||||||
8 | QW.710.20 | 804 | 614 | 70 | 768 | 652 | 18 | 17 | M16 | 30 | 2 | 10 | 50 | 5 | 835 | 166 | 99 |
QW.710.20A | 6 | 840 | 139 | 101 | |||||||||||||
9 | QW.800.20 | 894 | 704 | 70 | 858 | 742 | 20 | 17 | M16 | 30 | 2 | 10 | 50 | 6 | 930 | 154 | 114 |
QW.800.20A | 8 | 936 | 116 | 114 | |||||||||||||
10 | QW.800.25 | 904 | 692 | 78 | 864 | 736 | 18 | 22 | M20 | 36 | 2 | 10 | 58 | 6 | 942 | 156 | 143 |
QW.800.25A | 8 | 952 | 118 | 147 | |||||||||||||
11 | QW.900.25 | 1004 | 792 | 78 | 964 | 836 | 20 | 22 | M20 | 36 | 2 | 10 | 58 | 8 | 1048 | 130 | 162 |
QW.900.25A | 10 | 1060 | 105 | 168 | |||||||||||||
12 | QW.1000.25 | 1104 | 892 | 78 | 1064 | 936 | 24 | 22 | M20 | 36 | 2 | 10 | 58 | 8 | 1152 | 143 | 182 |
QW.1000.25A | 10 | 1160 | 115 | 185 | |||||||||||||
13 | QW.1000.32 | 1120 | 876 | 90 | 1074 | 926 | 24 | 24 | M22 | 40 | 2 | 10 | 70 | 8 | 1160 | 144 | 227 |
QW.1000.32A | 10 | 1170 | 116 | 232 | |||||||||||||
14 | QW.1120.32 | 1240 | 996 | 90 | 1194 | 1046 | 28 | 24 | M22 | 40 | 4 | 10 | 70 | 10 | 1300 | 129 | 272 |
QW.1120.32A | 12 | 1308 | 108 | 275 | |||||||||||||
15 | QW.1250.32 | 1370 | 1126 | 90 | 1324 | 1176 | 32 | 24 | M22 | 40 | 4 | 10 | 70 | 10 | 1430 | 142 | 302 |
QW.1250.32A | 12 | 1440 | 119 | 309 | |||||||||||||
16 | QW.1400.32 | 1520 | 1276 | 90 | 1474 | 1326 | 36 | 24 | M22 | 40 | 4 | 10 | 70 | 12 | 1584 | 131 | 337 |
QW.1400.32A | 14 | 1596 | 113 | 347 | |||||||||||||
17 | QW.1250.40 | 1390 | 1108 | 102 | 1336 | 1164 | 32 | 26 | M24 | 45 | 4 | 12 | 80 | 10 | 1450 | 144 | 396 |
QW.1250.40A | 12 | 1452 | 120 | 392 | |||||||||||||
18 | QW.1400.40 | 1540 | 1258 | 102 | 1486 | 1314 | 36 | 26 | M24 | 45 | 4 | 12 | 80 | 12 | 1608 | 133 | 448 |
QW.1400.40A | 14 | 1610 | 114 | 443 | |||||||||||||
19 | QW.1600.40 | 1740 | 1458 | 102 | 1686 | 1514 | 40 | 26 | M24 | 45 | 4 | 12 | 80 | 12 | 1812 | 150 | 528 |
QW.1600.40A | 14 | 1820 | 129 | 534 | |||||||||||||
20 | QW.1800.40 | 1940 | 1658 | 102 | 1886 | 1714 | 44 | 26 | M24 | 45 | 4 | 12 | 80 | 14 | 2016 | 143 | 583 |
QW.1800.40A | 16 | 2032 | 126 | 607 | |||||||||||||
21 | QW.1600.50 | 1762 | 1434 | 124 | 1704 | 1496 | 40 | 30 | M27 | 50 | 4 | 12 | 100 | 12 | 1824 | 151 | 714 |
QW.1600.50A | 14 | 1834 | 130 | 727 | |||||||||||||
22 | QW.1800.50 | 1964 | 1634 | 124 | 1904 | 1696 | 44 | 30 | M27 | 50 | 4 | 12 | 100 | 14 | 2044 | 145 | 845 |
QW.1800.50A | 16 | 2048 | 127 | 843 | |||||||||||||
23 | QW.2000.50 | 2162 | 1834 | 124 | 2104 | 1896 | 48 | 30 | M27 | 50 | 6 | 12 | 100 | 16 | 2240 | 139 | 912 |
QW.2000.50A | 18 | 2250 | 124 | 927 | |||||||||||||
24 | QW.2240.50 | 2402 | 2074 | 124 | 2344 | 2136 | 54 | 30 | M27 | 50 | 6 | 12 | 100 | 16 | 2480 | 154 | 1020 |
QW.2240.50A | 18 | 2502 | 138 | 1078 | |||||||||||||
25 | QW.2500.50 | 2662 | 2334 | 124 | 2604 | 2396 | 60 | 30 | M27 | 50 | 6 | 12 | 100 | 18 | 2754 | 152 | 1171 |
QW.2500.50A | 20 | 2760 | 137 | 1175 | |||||||||||||
26 | QW.2500.60 | 2696 | 2304 | 150 | 2626 | 2374 | 60 | 33 | M30 | 56 | 6 | 14 | 122 | 18 | 2790 | 154 | 1677 |
QW.2500.60A | 20 | 2800 | 139 | 1701 | |||||||||||||
Not:
1. N1, yağlama deliklerinin sayısıdır. Petrol Kupası M10 × 1JB/T7940.1 ~ JB/T7940.
2. Yağ meme başı Konum, kullanıcının uygulamasına göre değiştirilebilir.
3. N-φ, dokunulmuş deliğe geçebilir, dokunulmuş deliğin çapı m ve derinlik 2m'dir.
4. Formdaki teğet diş kuvveti maksimum diş kuvvetidir; Nominal teğet diş kuvveti maksimum 1/2'dir.
5. "K " zeyilname indirgeme katsayısıdır.
Ev | Hakkımızda | Ürünler | Haber | Uygulama | Destek | Bizimle iletişime geçin
