Görüntüleme sayısı:2 Yazar:Yingying Zhou. Gönderildi: 2018-08-07 Kaynak:Bu site
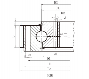
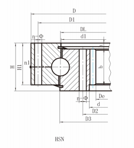
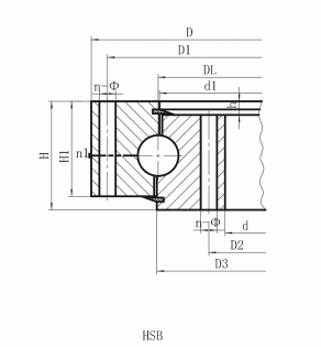
tek sıra dört nokta temaslı bilyalı döner halka iki koltuktan oluşur. Kompakt tasarımda, hafif ağırlıkta, bilyalar dört noktadan yuvarlak yuvarlağa temas eder, bu sayede eksenel kuvvet, radyal kuvvet ve elde edilen moment aynı anda doğar. , kaynak kumanda konsolları, hafif, orta iş tipi vinçler, ekskavatörler ve diğer mühendislik makinelerinin kaynaklanması.HS serisi önceden tasarlanmış, hafif profilli döner halkalar, alternatif delik desenleri, geliştirilmiş sertlik ve daha fazla kapasite potansiyeli için dikdörtgen biçimli enine kesitlere sahiptir. Vinçler, hava asansörleri, kazıcı krikolar, oluk çeviricileri, kaldırma aracı rotatorları ve endüstriyel döner tablalar için idealdir.
Tek sıralı bilyalı döner yatak (HS serisi) dış dişli


Pergel vinç için kullanılan HS serisi döner halka 20 & quot; ila 47 & quot; (500 mm ila 1.200 mm) OD standart kesitlidir. Yapılandırmalar dişli olmayan ve iç dişli (dış çaptaki bağlantı parçaları ile) ve dış dişli (iç çaptaki bağlantı parçaları) içerir. Dişliler, AGMA Sınıf Q5 ve .015'e göre üretilmiş, 20 ° basınç açısına sahip Invubute Stub tasarımlarıdır. ila 0,025 & quot; boşluk için ödenek.HS döner yatak yatakları
XZWD mühendisleri, XZWD'nin lider vinç rulmanları sağlayıcısı olmasını sağlayarak, en benzersiz rulman zorluklarını gidermek için çok çeşitli çözümler oluşturmak için deneyimlerini ve uzmanlıklarını kullanıyor.
XZWD mühendisleri, XZWD'nin lider vinç rulmanları sağlayıcısı olmasını sağlayarak, en benzersiz rulman zorluklarını gidermek için çok çeşitli çözümler oluşturmak için deneyimlerini ve uzmanlıklarını kullanıyor.
Ev | Hakkımızda | Ürünler | Haber | Uygulama | Destek | Bizimle iletişime geçin
