Görüntüleme sayısı:0 Yazar:Micky Sun Gönderildi: 2018-09-05 Kaynak:Bu site
Tek sıralı bilyalı döner yatak dört nokta temaslı rulmandır, sadece bir sıra çelik bilyaya sahiptir. Eksenel yükü, radyal yükü ve eğilme momentini aynı anda taşıyabilirler. Bir sıra dört nokta temaslı bilyalı döner halka, kompakt yapıda ve hafif, dört noktadaki dairesel kanalla çelik bilyalı temaslı tasarım yapan iki oturma halkasından oluşur.
Bu tür tek sıra dört noktadan üç tip temaslı bilyalı döner yatak vardır: dişli yatağı (dişsiz), dış dişli yatağı (dış diş) ve İç dişli yatağı (iç diş).
Tek sıralı bilyalı döner yatak bileziği, farklı alanlarda en yaygın kullanılan temel tiptir.
yapısal özellik aşağıdaki çizim gibidir:
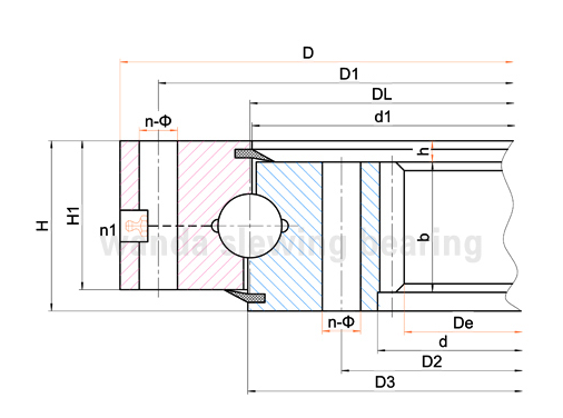
2.İç dişli Tek sıra dört nokta bilyalı rulman
yapısal özellik aşağıdaki çizim gibidir:
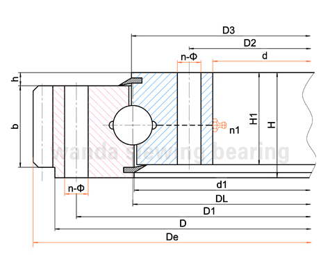
2.Dişli olmadan Tek sıra dört nokta bilyalı rulman
yapısal özellik aşağıdaki çizim gibidir:Tek Sıralı Dört Nokta Temaslı Bilyalı Döner Bilyalı (01) Dişlisiz tadano vinçli kamyon kubota ntn döner yatak yapısal özelliği
Herhangi bir talebiniz varsa, lütfen bizimle iletişime geçmekten çekinmeyin!
Ev | Hakkımızda | Ürünler | Haber | Uygulama | Destek | Bizimle iletişime geçin
