Görüntüleme sayısı:2 Yazar:Micky Sun Gönderildi: 2018-11-03 Kaynak:Bu site
Wanda Saptırma Halkası Yataklarının “tipik uygulaması” aşağıda listelenen koşulları gösterecektir. Uygulama koşulları “tipik” olarak kabul edilenden farklı olduğunda, yatak seçimi ve özelliklerine özel önem verilmelidir. Bu tipik uygulama koşulları:
· Düşey dönme ekseni. Esasen, rulman "düz" olarak monte edilmiştir.
· Basınç yükü ile karşılaştırıldığında basınç baskısı ve moment yükleri baskındır.
Radyal yük, itme yükünün% 10'undan az ile sınırlıdır.
· Tek sıralı rulmanlar için, aralıklı rotasyon (sürekli değil), 500 feet / dakikalık adım çizgisi hızını geçmemelidir.
· -40ºF ila + 140ºF arası çalışma sıcaklığı.
· Her iki ırkın da yuvarlaklığını ve düzlüğünü sağlamak için montaj yüzey geometrisi ve montaj prosedürleri. Örnek bir yaklaşım, alternatif yıldız modeli yöntemini kullanarak cıvataları sıkarken bir merkezlenmiş itme yükü uygulamak olacaktır.
· Gerilimin doğru olduğunu doğrulamak için montaj cıvatalarının periyodik kontrolü.
· Periyodik yağlama sağlanır.
XZWDDöner Halka Yatakları Aşağıda gösterildiği gibi önemli radyal, itme ve moment yüklerini barındıracak şekilde tasarlanmıştır:
Bu, çoğu durumda, konsept olarak XZWD X Tipi İnce Kesitli yataklara benzeyen benzersiz dört noktalı temas kanalı geometrisi ile gerçekleştirilir. Bu, tek bir yatağın, tek tek ya da bunların bir kombinasyonu halinde, yukarıda belirtilen üç yükleme senaryosunun hepsini barındırmasına izin verir.
Wanda döner halka yükleme yetenekleri hakkında daha ayrıntılı bilgi için yük eğrileri çizelgelerine bakın.
XZWD Çevirme Halkası Yatakları, en sık rotasyonun yavaş, salınan ve / veya aralıklı olduğu yerlerde kullanılır. Hız sınırı hesaplamaları için, lütfen XZWD Mühendislik ile irtibata geçin.
XZWD Çevirme Halkası Yatakları tipik olarak çap toleransları ile sağlanmamaktadır. Bazı döner halka uygulamaları daha yüksek derecede hassasiyet gerektirir. Özel uygulamalarda mühendislik ve tasarım desteği için lütfen Wanda Mühendislik ile irtibata geçin.
XZWD Çevirme Halkası Yatakları genellikle iç mekanlarda ve neme ve önemli kirlenmeye maruz kalmanın mümkün olduğu açık havada kullanılır. -40 ° F ila + 140 ° F (-40 ° C ila + 60 ° C) arasındaki normal sıcaklık değerleri standarttır. Daha zorlu ortamlarda çalışmak üzere tasarlanmış döner halkalar Wanda'dan temin edilebilir, zorlu ortamlar için en iyi rulman sistemi çözümünü belirlemek için tasarım sürecinizin başında bir XZWD Mühendisi ile irtibata geçin. Mesela bunu kullanmak istersenvinç için döner yatakbizimle iletişime geçebilirsiniz.
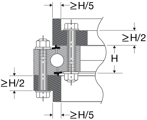
Daha önce de belirtildiği gibi, yatakları aşağıda gösterildiği gibi “sıkıştırma” içine monte etmek en iyisidir. Bu, yükün sağlanan yük eğrisinde temsil edilen toplar tarafından taşınmasını sağlar. Gergi montajı önemli ölçüde daha az kapasiteye sahiptir, bu nedenle cıvata kuvveti kapasite için öncelikli husus olur.
Rulmanın düzgün çalışması için montaj yüzeylerinin doğru bir şekilde işlenmesi gerekir. Standart cıvata kalıplarının yerleştirilemediği durumlarda, alternatif seçenekler için Wanda Engineering ile irtibat kurun. Germe veya basma sırasındaki montajlara dikkat edilmelidir. Gerilimde, BOLT kuvveti sınırlayıcı yük dikkate alınır, yük eğrisi artık geçerli olmaz ve özel hususlar dikkate alınmalıdır. Aşağıdaki ek yönergelere bakın.
Genel olarak, bu genel kural yeterli yapısal bütünlük sağlayacaktır.
Gres, döner yataklı yataklarda ve dişli uygulamalarında kullanılan en yaygın yağlayıcıdır. Standart döner halkalar üzerinde düzgün çalışması için sağlanan gres bağlantı parçaları veya gres deliklerinden düzenli yağlama gerekir. Özel yağlama seçenekleri için, Wanda döner yatak ile irtibat kurun.
Sürtünme Momenti, aşağıda belirtilen formülü kullanarak bir döner halka yatağı için tahmin edilebilir. Elde edilen değerler, yatağın bu katalogda belirtilen kurallara göre monte edildiğini varsaymaktadır. Bu tahmin, yalnızca yük yatağa uygulandığında uygulanır ve yüksüz bir durumda başlangıç torkunu yansıtmaz. Ayrıca yağlama maddesi tarafından üretilen sürtünme torku, contalar ve bileşenlerin ağırlığı da dikkate alınmamıştır. Bununla birlikte, bu bir başlangıç noktası sağlar ve ek tork için uygunluk için ek deneyim ayarlamaları yapılabilir.
Ne zamanyatağın takılması , rulmanın mümkün olduğunca yuvarlak olmasını sağlamak önemlidir. Bu, yük dağılımını optimize eder ve en düzgün çalışmayı teşvik eder. Yardım için aşağıdaki prosedürler önerilmektedir.
Cıvata başı altında ASTM F436'ya göre sertleştirilmiş yuvarlak yassı çelik rondelalar ve ayrıca somunu kullanın. Kilit rondelaları ve diş üzerindeki kilitleme bileşikleri önerilmez.
Yıkayıcıları, somunları ve cıvataları yatak ve destek yapısına takın ve elle sıkın. Cıvataları takmak için yatağı çarpıtmayın. Rulmana orta merkezli bir itme yükü uygulayın. Cıvataları ekipman tasarımcısının teknik özelliklerine göre sıkın. Yaygın bir yaklaşım, aşağıdaki diyagramda gösterildiği gibi cıvataları, sıraları sıkmak için bir yıldız deseni kullanmaktır. Desen genellikle ekipman tasarımcısı tarafından belirtilen nihai cıvata torkunun veya gerginlik seviyesinin yaklaşık% 30,% 80 ve% 100'ünde 3 adımda yapılır.
Uygun gerginlik kaybı, erken cıvata arızasına, yatak ve yapının arızalanmasına, bileşenlerin hasar görmesine ve çevresindeki herhangi birinin ölümüne veya yaralanmasına neden olabilir. Cıvatalar, sık sık cıvatanın torkunun ölçülmesiyle gerçekleştirilen uygun gerginlik için sık kontrol gerektirir.
Ev | Hakkımızda | Ürünler | Haber | Uygulama | Destek | Bizimle iletişime geçin
