Görüntüleme sayısı:20 Yazar:Ruby Zhang Gönderildi: 2018-03-22 Kaynak:Bu site
Olup olmadığını belirlemek içinDöner halka rulman Bir uygulama için uygunsa, SERVİS FAKTÖRÜ uygulanır. Uygulamanıza uygulanacak hizmet faktörü kılavuzu için aşağıdaki tabloya bakın. Bu katalogda gösterilen yük derecelendirme eğrileri yaklaşıktır ve 1.00 uygulama servis faktörünü temsil eder. Gerekli rulman oranını belirlemek için uygulanabilir hizmet faktörünü rulman üzerindeki uygulanan yüklerle çarpın ve sonuçta ortaya çıkan yükleri yük derecesi eğrileriyle karşılaştırın.
Sınıfı | Tipik Düşünceler | Uygulama örnekleri | minimum |
IŞIK | İyi tanımlanmış yükleme | Lastik takılı hafif yapı | 1.00 |
Kapasitenin çok altında yükleniyor | Hafif görev Endeksi tablosu | 1.00 | |
Dönme yavaş, <% 10 ve aralıklı | Hafif hizmet tipi endüstriyel manipülatör veya robot | 1.00 | |
Hafif iş elle çalışan mekanizma | 1.00 | ||
Hafif iş tıbbi cihazları | 1.00 | ||
Hafif hizmet platformları | 1.00 | ||
Kaynak pozisyonerleri | 1.00 | ||
Dönen işaretler, göstergeler | 1.00 | ||
ORTA | İyi tanımlanmış yükleme | Paletli hafif yapı | 1.10 |
Kapasitenin altına veya altına yükleme | Hurda inşaatı | 1.25 | |
Dönme yavaş, <% 30 ve aralıklı | Orta görev endüstriyel manipülatör veya robot | 1.25 | |
Konveyörler | 1.10 | ||
Döner tablalar | 1.25 | ||
Kaptanlar ve turnike | 1.10 | ||
Atık su arıtma | 1.10 | ||
AĞIR | Yükleme iyi tanımlanmadı | Ormancılık malzemeleri | 1.50 |
Makine kapasitesinin ötesinde yükleme gerçekleşebilir | Ağır hizmet endeks tabloları ve döner tablaları | 1.50 | |
Şok yükleme oluşabilir | ekskavatörler | 1.50 | |
Rotasyon aralıklı, zamanın% 100'üne kadar | |||
ÖZEL | Yükleme iyi tanımlanmadı | Alternatif enerji (rüzgar, hidro vb.) | TBD |
Sürekli rotasyon | Offshore uygulaması | TBD | |
Yüksek hızlı dönüş | Eğlence sürmek | TBD | |
Ağır yükler, şok, darbe | Çelik fabrikası uygulamaları | TBD | |
Yüksek hassasiyet, konumlandırma | Hassas robotik | TBD |
Uygulanabilir bir servis faktörü belirlemek için herhangi bir yardıma ihtiyacınız varsa veya daha ayrıntılı bir yük derecelendirme eğrisi istiyorsanız (servis faktörü ayarlı uygulanmış yükleriniz bu katalogda gösterilen yük derecelendirme eğrilerine yakın veya ötesine düşerse önerilir), lütfen Mühendislik yardım için. Lütfen, ekipman tasarımcısının, sıklıkla test ederek onaylanan doğru servis faktörünü belirlemekten sorumlu olduğunu unutmayın.
"Tipik uygulama"Döner Halka Yatakları aşağıda listelenen koşulları sergileyecektir. Uygulama koşulları “tipik” olarak kabul edilenden farklı olduğunda, yatak seçimi ve özelliklerine özel önem verilmelidir. Bu tipik uygulama koşulları:
l Dikey dönme ekseni. Esasen, rulman "düz" olarak monte edilmiştir.
l Basınç yüklemesi ile karşılaştırıldığında basınç baskısı ve moment yükleri baskındır.
Radyal yük, itme yükünün% 10'undan az ile sınırlı.
Tek sıralı rulmanlar için, aralıklı dönüş (sürekli değil), 500 feet / dakikalık adım çizgisi hızını geçmemelidir.
l -40ºF ila + 140ºF arası çalışma sıcaklığı.
l Her iki ırkın da yuvarlaklığını ve düzlüğünü sağlamak için yüzey geometrisinin montajı ve kurulum prosedürleri. Örnek bir yaklaşım, alternatif yıldız modeli yöntemini kullanarak cıvataları sıkarken bir merkezlenmiş itme yükü uygulamak olacaktır.
l Gerilimin doğru olduğunu doğrulamak için montaj cıvatalarının periyodik kontrolü.
l Periyodik yağlama için sağlanmıştır.
Döner Halka Yatakları Aşağıda gösterildiği gibi önemli radyal, itme ve moment yüklerini barındıracak şekilde tasarlanmıştır:

Bu, çoğu durumda, X-Tipi İnce Kesitli rulmanlar kavramına benzeyen benzersiz dört noktalı temaslı oluk geometrisi ile gerçekleştirilir. Bu, tek bir yatağın, tek tek ya da bunların bir kombinasyonu halinde, yukarıda belirtilen üç yükleme senaryosunun hepsini barındırmasına izin verir.
Çevirme Halkası Yatakları, en sık rotasyonun yavaş, salınan ve / veya aralıklı olduğu yerlerde kullanılır. Hız sınırı hesaplamaları için lütfen Silverthin Engineering ile iletişim kurun.
Çevirme Halkası Yatakları, tipik olarak çap toleransları ile sağlanmamaktadır. Bazı döner halka uygulamaları daha yüksek derecede hassasiyet gerektirir. Özel uygulamalarda mühendislik ve tasarım desteği için lütfen Mühendislik ile irtibata geçin.
Çevirme Halkası Yatakları genellikle iç mekanlarda ve neme ve önemli kirlenmeye maruz kalmanın mümkün olduğu açık havada kullanılır. -40 ° F ila + 140 ° F (-40 ° C ila + 60 ° C) arasındaki normal sıcaklık değerleri standarttır. Daha zorlu ortamlarda çalışmak üzere tasarlanmış döner halkalar Wanda'dan temin edilebilir, zorlu ortamlar için en iyi rulman sistemi çözümünü belirlemek için tasarım sürecinizin başında bir Wanda Mühendisi ile irtibata geçin.
Daha önce de belirtildiği gibi, yatakları aşağıda gösterildiği gibi “sıkıştırma” içine monte etmek en iyisidir. Bu, yükün sağlanan yük eğrisinde temsil edilen toplar tarafından taşınmasını sağlar. Gergi montajı önemli ölçüde daha az kapasiteye sahiptir, bu nedenle cıvata kuvveti kapasite için öncelikli husus olur.

Rulmanın düzgün çalışması için montaj yüzeylerinin doğru bir şekilde işlenmesi gerekir. Standart cıvata düzenlerinin bulunmadığı durumlarda alternatif seçenekler için Silverthin Engineering ile iletişim kurun. Germe veya basma sırasındaki montajlara dikkat edilmelidir. Gerilimde, BOLT kuvveti sınırlayıcı yük dikkate alınır, yük eğrisi artık geçerli olmaz ve özel hususlar dikkate alınmalıdır. Aşağıdaki ek yönergelere bakın.
Genel olarak, bu genel kural yeterli yapısal bütünlük sağlayacaktır.
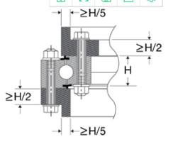
Rulman montaj yüzeyinin düzlüğü optimum performans için kritiktir. Sıklıkla montaj yapıları, yapıya gerilimleri indükleyecek şekilde kaynaklanır veya işlenir. Bu gerilmeler giderilmeli, ardından yatak montaj yüzeyi düz işlenmelidir. Düzlük dikkate alınmalıdır:
Çevresel Yön (δr): Dört noktalı bilyalı rulmanlar için çevresel doğrultuda izin verilen düzlük dışı miktar aşağıdaki şekilde gösterilmiştir. Bu düzlük dışı miktar, 90 ° 'den az bir aralıkta ve bir defada birden fazla, 180 °' den fazla olmayan bir aralıkta aşılmamalıdır.
Radyal doğrultuda İzin Verilen Çanak veya Dikey Sapma (δp): Dört noktalı temaslı bilyalı rulman tasarımları için, izin verilen tabak miktarına aşağıdaki formül kullanılarak yaklaşılabilir:
≈p ≈ 0.001 ∗ Dw ∗ P
Nerede:
P | = | montaj yapısı yüzeyinin radyal karartması (inç) |
dw | = | yuvarlanma elemanı çapı (inç) |

Bir uygulama daha fazla hassasiyet veya düşük dönme momenti gerektiriyorsa, δr ve δp değerlerini azaltmak gerekebileceğini unutmayın. Makaralı rulmanlar için izin verilen yassılık miktarı yaklaşık olarak eşdeğer bir boyuta göre yaklaşık 2 / 3'dür.dört noktalı bilyalı rulman.

Gres, döner yataklı yataklarda ve dişli uygulamalarında kullanılan en yaygın yağlayıcıdır. Standart döner halkalar üzerinde düzgün çalışması için sağlanan gres bağlantı parçaları veya gres deliklerinden düzenli yağlama gerekir. Özel yağlama seçenekleri için Wanda ile iletişim kurun.
Sürtünme Momenti, aşağıda belirtilen formülü kullanarak bir döner halka yatağı için tahmin edilebilir. Elde edilen değerler, yatağın bu katalogda belirtilen kurallara göre monte edildiğini varsaymaktadır. Bu tahmin, yalnızca yük yatağa uygulandığında uygulanır ve yüksüz bir durumda başlangıç torkunu yansıtmaz. Ayrıca yağlama maddesi tarafından üretilen sürtünme torku, contalar ve bileşenlerin ağırlığı da dikkate alınmamıştır. Bununla birlikte, bu bir başlangıç noktası sağlar ve ek tork için uygunluk için ek deneyim ayarlamaları yapılabilir.
Mf = μ ∗ (4.4M + Fa Dpw + 2.2 Fr Dpw) / 2
Nerede:
Mf | = | Yük altında yatak başlangıç torku (ft-lbs) |
μ | = | Sürtünme katsayısı (tipik olarak 0.006) |
M | = | Moment yükü (ft-Ibs) |
Fa | = | Eksenel yük (Ibs) |
Cu | = | Radyal yük (Ibs) |
Dpw | = | Rulman aralığı çapı (ft) |
Cıvataların her zaman bir sabitleme donanım tedarikçisinin tavsiyesi ve yardımı ile seçilmesi önerilir. Cıvata kalitesi, ön gerdirme prosedürleri ve bakım çok çeşitli olabilir.
Optimum cıvata düzenlemesi, hem iç hem de dış yarışlarda eşit aralıklı bağlantı elemanlarına sahip bir cıvata dairesine sahiptir. Bu, yatak ile tutturucular arasında en iyi performansı veren daha düzgün bir montaj düzenlemesi ile sonuçlanır. Bu, montaj yapısı düzenlemelerinden dolayı her zaman mümkün değildir ve delikler buna göre kaydırılabilir. Bu durumlarda gerçek cıvata yüklerini belirlemek, eklem konfigürasyonunu ve montaj prosedürünü doğrulamak için test yapılması önerilir.
En ağır yüklü cıvatadaki yaklaşık yükü belirlemek için bir başlangıç noktası olarak aşağıdaki formül kullanılabilir. Lütfen Silverthin ™ 'in cıvata yeterliliği ile ilgili hiçbir garanti vermediğini veya ima edilmediğini unutmayın. Asıl yükü belirlemek için testlerin yapılması kesinlikle önerilir, çünkü kesin olan tek güvenilir yöntem budur.
RB = | 12 ∗ M ∗ r | ± | Fa |
BC ∗ n | n |
Nerede:
RB | = | En ağır yüklü cıvata üzerindeki toplam yük (Ibs) |
M | = | Moment yükü (ft-Ibs) |
r | = | Sertlik faktörü. Rulmanlar için 3 kullanın ve ortalama sertlikteki destek yapıları. |
Fa | = | Eksenel yük (lbs) Eğer Fa gergin ise, işaret + Fa sıkıştırılmışsa, işaret - |
MİLATTAN ÖNCE | = | Cıvata daire çapı (in) |
n | = | Toplam eşit dağıtılmış cıvata sayısı |
Sf | = | Cıvata faktörü. Önerilen minimum değer = 3. Aşağıdaki formüle bakınız. |
Sf = | Cıvata Korumalı Yük Değerlendirmesi |
RB |
Cıvata Çapı (in) | Geçirmez yük (lbs) |
1/2 | 17,000 |
5/8 | 27.100 |
3/4 | 40100 |
7/8 | 55400 |
1 | 72700 |
1 - 1/8 | 91600 |
1 - 1/4 | 116300 |
1 - 1/2 | 168600 |
1. SAE J429, Grade 8 veya ASTM A490 / A490M veya ISO 898-1, Grade 10.9 uyarınca akma dayanımlarının% 70'ine gerilmiş olan altıgen başlı yüksek dayanımlı cıvatalar kullanın.
2. SAE J995, Sınıf 8 veya ASTM A563, Sınıf DH veya ISO 898-2, Sınıf 10'a göre uygulanabilir olduğunda altıgen başlı kaba diş somunları kullanın.
3. Optimum cıvata gerginliği için, cıvata başının altından birinci geçme dişine olan mesafenin oranı 3.5 veya daha büyük olmalıdır. Doğrulama için test gereklidir.
4. Belirli bir halkadaki tüm montaj cıvataları eşit kelepçe uzunluğuna sahip olmalıdır.
5. Cıvata başı ile cıvata dişleri arasındaki mesafe, cıvata gövdesi çapına en azından eşit olmalıdır.
6. Cıvatanın eşleşen çelik yapıdaki diş geçme uzunluğu, cıvata çapının en az 1,25 katı olmalıdır.
7. Cıvata gerdirme yönteminin ekipman testinden önce istenen sonuçları aldığını doğrulamak için tezgah testleri önerilir.
Yatağı monte ederken, yatağın mümkün olduğunca yuvarlak olmasını sağlamak önemlidir. Bu, yük dağılımını optimize eder ve en düzgün çalışmayı teşvik eder. Yardım için aşağıdaki prosedürler önerilmektedir.
Cıvata başı altında ASTM F436'ya göre sertleştirilmiş yuvarlak yassı çelik rondelalar ve ayrıca somunu kullanın. Kilit rondelaları ve diş üzerindeki kilitleme bileşikleri önerilmez.
Yıkayıcıları, somunları ve cıvataları yatak ve destek yapısına takın ve elle sıkın. Cıvataları takmak için yatağı çarpıtmayın. Rulmana orta merkezli bir itme yükü uygulayın. Cıvataları ekipman tasarımcısının teknik özelliklerine göre sıkın. Yaygın bir yaklaşım, aşağıdaki diyagramda gösterildiği gibi cıvataları, sıraları sıkmak için bir yıldız deseni kullanmaktır. Desen genellikle ekipman tasarımcısı tarafından belirtilen nihai cıvata torkunun veya gerginlik seviyesinin yaklaşık% 30,% 80 ve% 100'ünde 3 adımda yapılır.
Uygun gerginlik kaybı, erken cıvata arızasına, yatak ve yapının arızalanmasına, bileşenlerin hasar görmesine ve çevresindeki herhangi birinin ölümüne veya yaralanmasına neden olabilir. Cıvatalar, sık sık cıvatanın torkunun ölçülmesiyle gerçekleştirilen uygun gerginlik için sık kontrol gerektirir.
Ev | Hakkımızda | Ürünler | Haber | Uygulama | Destek | Bizimle iletişime geçin
